Filterverstärker für alle B750
Plug and Play
Auch beim neuen Filterverstärker (Filter Amp) der Revox B750 ist fast alles beim Alten geblieben! Nein, nur die Schaltung ist nach fast 50 Jahren gleich geblieben! Eine Entwicklung für die Ewigkeit. Hier wissen Sie, auch in 50 Jahren ist noch eine Reparatur möglich. Das wollen wir mit der neuen Leiterplatte auch nicht ändern.
Optimierungen
behutsam wie immer
Wir haben nur behutsam die Schaltung bauteiltechnisch optimiert. Wie bei alle unsere Neuentwicklungen werden die zwei Dioden durch eine LED ersetzt und den resultierenden Strom durch eine Änderung des Widerstandes angepasst. Im Signalweg, wo es geht, verzichten wir auf Elkos, die Spannungsversorgung ist kanalgetrennt gepuffert, breite und 70 µm dicke Leiterbahnen verlegt. Alle Kondensatoren im Signalweg, die nicht komplett durch Folienkondensatoren ersetzt werden konnten, erhalten hochwertige Folien-Bypasskondensatoren ...
Die Schaltung ist Revox geblieben, die Verbesserungen von Premium-Hifi!
Die Elektronik
Die Schaltung, das Konzept ist Original Revox
Schaltplan
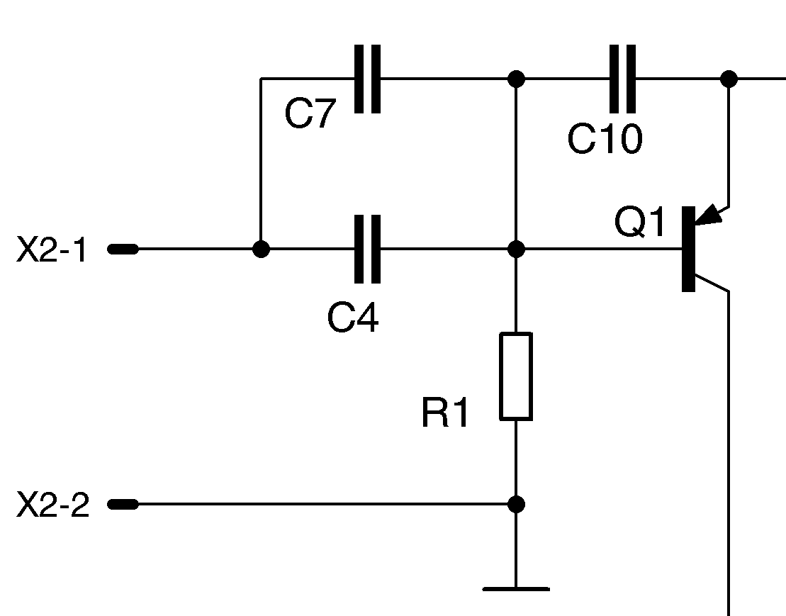
Die zugrunde liegende Schaltung ist das Original von Revox. Die Pufferung für beide Kanäle und beide Spannungen erfolgt getrennt. Hochwertige Folien-Bypasskondensatoren über alle Elkos und auch über Keramikkondensatoren im Signalweg ist für uns selbstverständlich. Ebenso eine LED statt 2 Gleichrichterdioden.
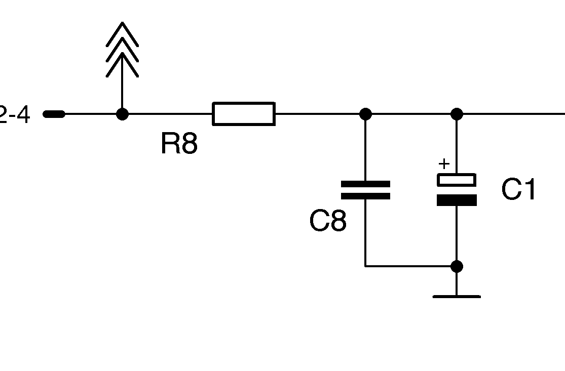
Betriebsspannung
Die Plus-Minus-Spannung wird für jeden Kanal getrennt gepuffert. Die Stromaufnahme der Schaltung liegt etwa bei 7 mA pro Kanal. Wir haben die Elkos mit 47 µF dreimal so groß dimensioniert wie es hätte sein müssen! Man muss immer die maximale kapazitive Belastung der Spannungsregler im Auge haben.
LED
Statt zwei Dioden in Reihe verwenden wir lieber rauschärmere LEDs. Mit einem Vorwiderstand von 68 kOhm hat die LED einen Spannungsabfall von ca. 1,6 V statt 1,4 V der beiden Dioden. Obwohl der Vorwiderstand mit 68 kOhm recht groß ist, sieht man die LEDs gut leuchten! Der Kollektorwiderstand muss neu berechnet werden.
Bypasskondensatoren
Wenn wir die Koppelkondensatoren nicht als Folienkondensatoren ausführen können, dann sind für uns Folien-Bypasskondensatoren obligatorisch. Auch dann, wenn die Koppelkondensatoren nicht als Elkos ausgeführt sind. Auch noch so gute COG-Keramik-Kondensatoren sind für den Audiobereich nicht die beste Wahl. Aber immer noch besser als Elkos!
Das alles geht schon Richtung "High-End".
Das Layout
Leiterbahnen
Wie bei uns üblich sind die Leiterbahnen sehr breit und 70 µm dick. Auch die Masseflächen auf der L-Seite sind für die Kanäle getrennt ausgeführt. Natürlich sind wir auch an den Vorgaben des Verstärkers gebunden.
Filter Amplifier
für alle Revox B750 finden Sie bei uns im Shop







