Tape Move Sensorfür alle Revox B77 und PR99 MK I
1.177.321-23 optische Abtastung
Für Reparaturen haben wir immer auf Altbestände zugegriffen. Eine lockere Spule auf der alten Leiterplatte lässt sich kleben. Andere Reparaturen wurden durch Austausch einzelner Bauteile oder der kompletten Platine erledigt.
Mit der neuen Bandbewegungs-Sensor gibt es keine Spule, kein Schwingkreis und wir sind für die Zukunft gerüstet!
die Technik
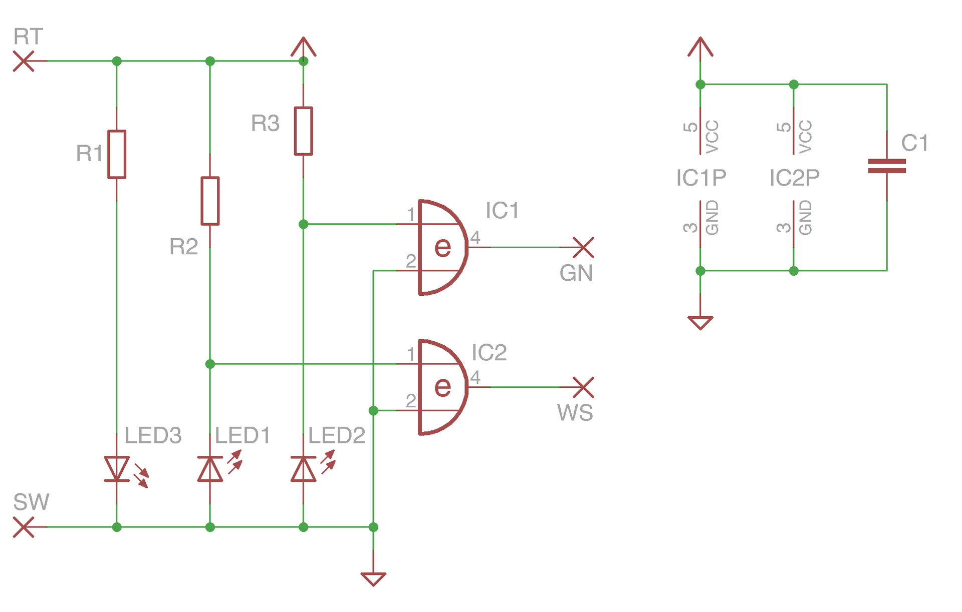
Die Schaltung
Reflektor
Damit die optische Abtastung funktioniert, wird diese Reflektorfolie benötigt. Sie erhalten zu jedem neuen Bandbewegungssensor eine passende selbstklebende und gestanzte Folie. Vor dem Aufkleben den Motor reinigen. Mehr ist nicht zu tun. Wenn Sie die schwarzen Flächen über die drei Öffnungen am Motor kleben, können Sie die Öffnungen frei schneiden - ist aber nicht nötig. Die Öffnungen dienen nicht der Kühlung.
Tape Move Sensor von Premium-Hifi
Tape Move Sensor mit optischer Abtastung von Premium-Hifi
wenn Sie das Beste wollen!
der neue Bandbewegungssensor
1.177.321-23
für alle Revox B77 und PR99 MK I finden Sie bei uns im Shop






