Eingangsplatinefür alle Revox B77
1.177.223-25 Neuentwicklung
Die Schaltung ist gleich geblieben. Revox hat schon fantastisch entwickelt!
Dennoch wurden auch hier einige Optimierungen vorgenommen.
Dennoch wurden auch hier einige Optimierungen vorgenommen.
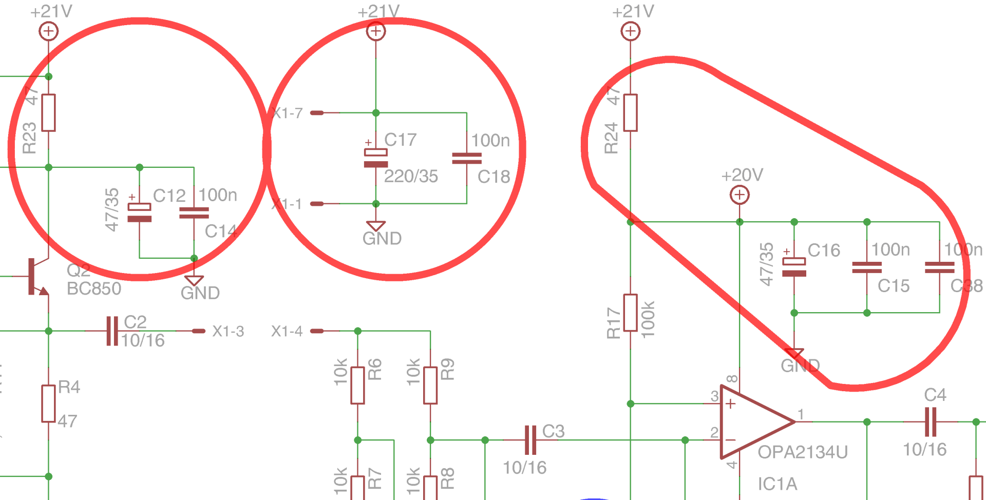
Als erstes sei der geänderte Eingangs-Spannungsteiler der ersten Transistorstufe zu nennen. Besonders bei sehr kleinen Eingangssignalen ist eine saubere Basisvorspannung besonders wichtig. Natürlich sind hier die Bypässe vorhanden, die Pufferung der Verstärkerstufen und Kanäle getrennt und wo es geht, verzichten wir von
Premium-Hifi gerne auf Elkos.
die Technik
Die Schaltung
Basisspannungsteiler
Wir von Premium-Hifi haben den Basisspannnungsteiler am Eingang überarbeitet. Besonders bei sehr kleine Eingangssignale ist eine stabile, saubere Basisspannung sehr wichtig. Wir haben den oberen Widerstand in 82 kOhm und 100 kOhm gesplittet und mit einem weiteren Kondensator gefiltert. Wenn wir etwas neu machen, dann richtig! Warum Revox das nicht schon früher gemacht hat, ist uns hier wirklich ein Rätzel. Zwei Bauteile mehr wäre immer gegangen!
die neue Inputplatine
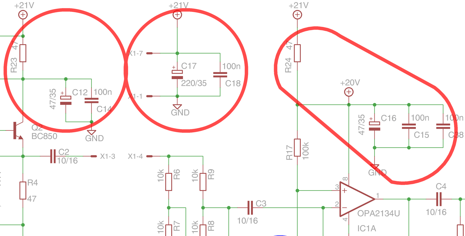
Auch auf der neuen Leiterplatte ist viel Freifläche. Vom Aufbau her gibt es kaum Unterschiede und die Schaltung ist auch gleich geblieben. Nur die Spannungsversorgung wurde vielfach optimiert. Jede Leiterplatte erhält einen Stützkondensator. Eine LED zeigt Vorhandensein der Betriebsspannung an!
Alle Verstärker haben quasi ihre eigene Spannungsquelle. Der Strom muss nicht erst vom weit entfernten Netzteil über weitere Litzen, Leiterbahnen und diverse Lötstellen und steht sofort dem Verbraucher zur Verfügung.
Abgleich
Ein Abgleich ist nicht erforderlich! Sie können die Leiterplatte 1:1 tauschen. Dazu müssen die vier rückwärtigen Gehäuseschrauben lösen, die Bandmaschine vorsichtig nach vorne aus dem Gehäuse hebeln. Das Abschirmblech mit zwei schrauben lösen und entfernen. Jetzt die alte Input-Platine abziehen und die neue Input-Platine stecken.
ACHTUNG! Niemals die Bandmaschine auf die Front legen!
Neue Eingangsplatine von Premium-Hifi
Wir haben alle technischen Möglichkeiten genutzt, um das Audiosignal bestmöglich und ohne Verzerrungen durchzuschleusen. Auch wenn das Band die größte Limitierung ist, ein schlechtes Eingangssignal kann nicht gut aufgenommen werden!
wenn Sie das Beste wollen!
nagelneue Input-Leiterplatte
1.177.223-25
für alle Revox B77 finden Sie bei uns im Shop








