Studer A101
Why us now too?
The wildest stories about this primitive hybrid circuit, the Studer A101, are rife on the Internet!
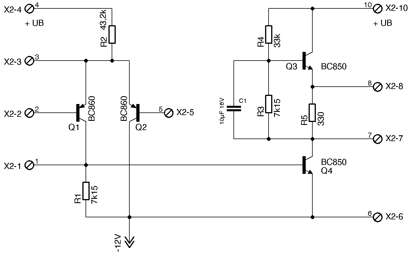
The circuit consists of a simple differential input amplifier without current source, current mirror or anything else and a driver output stage.
In total, the circuit consists of 4 transistors, 5 resistors, and, in the original, 1 10µF tantalum capacitor. It's not rocket science, you'd think!
We've depicted the circuit as usual: "plus up, minus down." Studer's circuit is drawn the other way around! The output stage is already known from the Revox A77 input board and is not a circuit specifically developed for the A101. The designations of the transistors BC 850 or BC 860 are based on our SMD assembly.
The fixed negative feedback with 18 kOhm and the current negative feedback with R2, as well as the simple input stage of the Revox A77 are different, otherwise only a few component values of the output stage have changed slightly.
With the Studer A101, the negative feedback must be adjusted externally via the connections X2-5 and X2-8.
New soldering process
Components are cooled and soldered in just one second!
It was actually claimed that the transistors are cooled during soldering and that soldering takes a maximum of one second per pin. Hats off, we're amazed!
Quote:
which are processed using a complex manufacturing technology to avoid thermal stress on the components during soldering, e.g. Transistors soldered in a cooled device, the resistors at a distance with 5mm wire length.
All components are soldered by hand with a maximum Soldering time of 1 sec per soldering point.
The success of this effort is that the components used retain their excellent technical data and thus the module achieves the best possible quality.
The prints are fully professionally manufactured.
End of quote:
We as electronics engineers have learned:
1) that the soldering point (the pad and the connection of the component) is preheated with the soldering iron for one or one and a half seconds.
2) Then, the solder (with flux in the core) is applied to the solder joint. This does not wet the soldering iron, but rather the solder pad and the component's connecting wire. This can easily take another one to two seconds!
3) After three to four seconds, after the solder has flowed well, the soldering iron is removed and the heat input into the soldering point is stopped.
If you now hear that the soldering takes a maximum of one second per soldering point - keep your hands off - you will only get cold solder joints, ice-cold solder joints!
Such prints are not professionally manufactured, it has nothing to do with professional soldering - it's just rubbish!
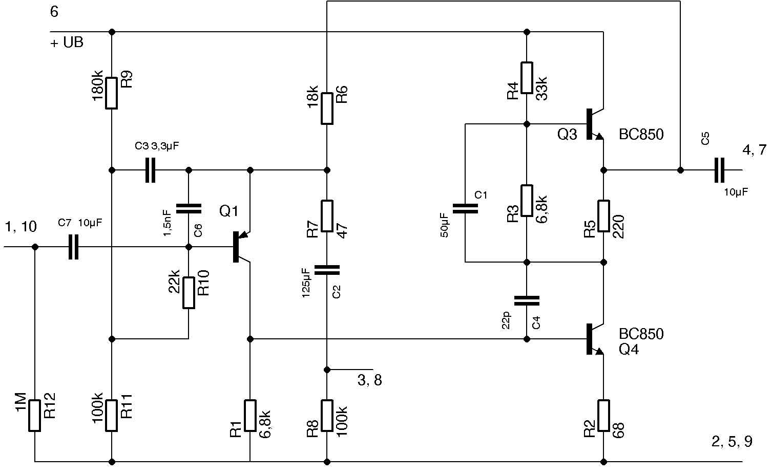
There are many, many ways to make the circuit better.
Instead of the emitter resistor with 43.2 kOhm, one could realize a high-quality, low-noise current source with LED, transistor and resistor.
A current mirror consisting of two additional transistors could be installed in the collector branch.
Finally, in the power supply, the input stage and the output stage have two separate positive voltage connections.
Why should we start with the thermal stress during soldering now?
And then spread such nonsense over the Internet...
Furthermore, the Studer A62, Studer B62, and Studer A80 don't just sound so good because they use low-noise hybrid modules! If this position were so crucial, they could have used something else back in 1970. The entire concept of the tape recorders is responsible for their high quality; the A101 hybrid modules only play a very limited role in this. Nevertheless, we don't want to diminish the quality of these devices and have given it some thought!
Wired
Why?
If you really want to do something to minimize noise, why use wired components?
SMD components offer significant advantages not only due to their smaller footprint. The absence of long, usually ferrous, connecting wires is also an advantage. The layout itself, when well thought out, is always better. It leads to shorter paths and better conductor routing!
Another advantage of SMD technology: The soldering temperatures are specified by the programmed soldering oven and are adjusted and regulated to achieve optimal soldering results with minimal component stress.
We used the option of separate operating voltage and blocked both amplifier stages separately with a capacitor each!
As shown here with the Studer A80 Reproduce circuit board, everything fits perfectly. Our replacement circuit fits wherever the original hybrid module is installed. No components need to be bent, and noise is minimized. The two-row pin header ensures a stable mechanical connection of the circuit boards.
low noise!
BC557
since when?
Another supplier offers a version with low-noise transistors, but uses the BC557 in the input stage! These are not low-noise transistors. The BC549 or BC550 derivatives are low-noise!
We have never read and seen so much nonsense that we decided to take action against it!
Further information on differential amplifiers, current mirrors and current sources can be found in the standard work Semiconductor Circuit Technology by Tietze-Schenk-Gamm:
Current sources and current mirrors can be found starting on page 287, and the differential amplifier can be found starting on page 339!
Studer A101 in our shop
Here you will find the Studer A101 hybrid amplifier module for Studer A62, B62, A80 Studer mixing consoles and so on.






